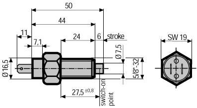
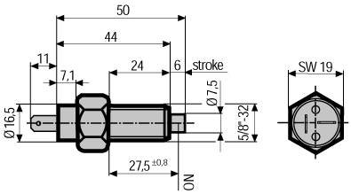
Type 144 000

|
|
type number
|
max. switching voltage (V)
|
max. switching current (A)
|
max. switching power (W/VA)
|
series resistor (Ohm/W)
|
protection class IEC 529
|
temperature range (C°)
|
contact form
|
|
144 000
|
48V
|
0,5A
|
10W/10VA
|
--
|
IP 00/IP67
|
-25...+130
|
A
|
|
|
|
Type 144 002

|
|
type number
|
max. switching voltage (V)
|
max. switching current (A)
|
max. switching power (W/VA)
|
series resistor (Ohm/W)
|
protection class IEC 529
|
temperature range (C°)
|
contact form
|
|
144 002
|
48V
|
0,3A
|
10W/10VA
|
x
|
IP 00/IP67
|
-25...+130
|
A
|
|
|
|
Type 144 011

|
|
type number
|
max. switching voltage (V)
|
max. switching current (A)
|
max. switching power (W/VA)
|
series resistor (Ohm/W)
|
protection class IEC 529
|
temperature range (C°)
|
contact form
|
|
144 011
|
48V
|
0,3A
|
10W/10VA
|
x
|
IP 00/IP67
|
-25...+130
|
A
|
|
|
|
Type 144 013

|
|
type number
|
max. switching voltage (V)
|
max. switching current (A)
|
max. switching power (W/VA)
|
series resistor (Ohm/W)
|
protection class IEC 529
|
temperature range (C°)
|
contact form
|
|
144 013
|
48V
|
0,3A
|
10W/10VA
|
x
|
IP 00/IP67
|
-25...+130
|
A
|
|
 |
Type 144 021

|
|
type number
|
max. switching voltage (V)
|
max. switching current (A)
|
max. switching power (W/VA)
|
series resistor (Ohm/W)
|
protection class IEC 529
|
temperature range (C°)
|
contact form
|
|
144 021
|
48V
|
0,3A
|
10W/10VA
|
x
|
IP67
|
-25...+130
|
B
|
|
 |
Type 144 023

|
|
type number
|
max. switching voltage (V)
|
max. switching current (A)
|
max. switching power (W/VA)
|
series resistor (Ohm/W)
|
protection class IEC 529
|
temperature range (C°)
|
contact form
|
|
144 023
|
48V
|
0,3A
|
10W/10VA
|
x
|
IP67
|
-25...+130
|
B
|
|
 |
Type 144 510

|
|
type number
|
max. switching voltage (V)
|
max. switching current (A)
|
max. switching power (W/VA)
|
series resistor (Ohm/W)
|
protection class IEC 529
|
temperature range (C°)
|
contact form
|
|
144 510
|
48V
|
0,5A
|
10W/10VA
|
--
|
IP67
|
-25...+75
|
A
|
|
 |
Type 144 520

|
|
type number
|
max. switching voltage (V)
|
max. switching current (A)
|
max. switching power (W/VA)
|
series resistor (Ohm/W)
|
protection class IEC 529
|
temperature range (C°)
|
contact form
|
|
144 520
|
48V
|
0,5A
|
10W/10VA
|
--
|
IP67
|
-25...+75
|
B
|
|
 |
Type 144 810

|
|
type number
|
max. switching voltage (V)
|
max. switching current (A)
|
max. switching power (W/VA)
|
series resistor (Ohm/W)
|
protection class IEC 529
|
temperature range (C°)
|
contact form
|
|
144 810
|
250V
|
2,5A
|
60W/60VA
|
--
|
IP67
|
-25...+75
|
A
|
|
 |
Type 144 820

|
|
type number
|
max. switching voltage (V)
|
max. switching current (A)
|
max. switching power (W/VA)
|
series resistor (Ohm/W)
|
protection class IEC 529
|
temperature range (C°)
|
contact form
|
|
144 820
|
250V
|
2,5A
|
60W/60VA
|
--
|
IP67
|
-25...+75
|
B
|
|
 |