Stainless,Steel,Push,Buttons,Escha,Combikey,CK 70,CK 75,SeriesStainless,Steel,Push,Buttons,Escha,Combikey,CK 70,CK 75,SeriesStainless,Steel,Push,Buttons,Escha,Combikey,CK 70,CK 75,SeriesStainless,Steel,Push,Buttons,Escha,Combikey,CK 70,CK 75,SeriesStainless,Steel,Push,Buttons,Escha,Combikey,CK 70,CK 75,Series


Stainless Steel Push Buttons TSL Escha Combikey CK 70/CK 75 Series




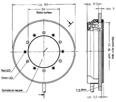
Greater security against vandalism - This demand is fulfilled by TSL ESCHA with its stainless steel push buttons of the series CK 70. It can be activated on one or two sides. Suitable for installation in glass walls, body walls or door posts.

Both the attachment ring and the activation surface are made of stainless steel, are powder-coated and permit almost flush installation. In the choice of colours and pictograms we are only too pleased to satisfy your requirements.

The CK 75 series is a very reasonably priced alternative for certain applications.

TSL ESCHA Literature Downloads

Model Range CK 70

Technical data

  • 6 LED (green) for power-on indication

  • 6 LED (red) for switching indication

  • Output pulse with release delay

  • Short-circuit-proof

  • Reverse-polarity protection

  • approx. 9 N activation force

  • approx. 0,4 mm activation path

  • -30...+80 °C temperature range

  • 7 million switching cycles

  • Protection class IP67 (only outer side)


CK 70

Model Range CK 75

Technical data

  • 6 LED (green) for power-on indication

  • Output pulse in line with activation duration

  • Short-circuit-proof

  • Reverse-polarity protection

  • approx. 9 N activation force

  • approx. 0,4 mm activation path

  • -30...+80 °C temperature range

  • 7 million switching cycles

  • Protection class IP67 (only outer side)


CK 75



Site Designed And Maintained By Panther Marketing And Design